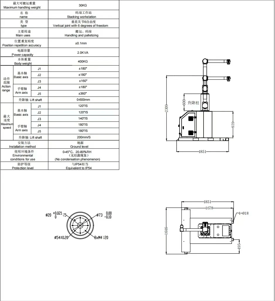
The KW1030D-1800 is a 6-axis mobile palletizing workstation designed with excellent load capacity and a flexible arm span. It serves a wide range of applications across various industries including food, beverage, rice, flour, fertilizer, and feed handling.



| Model | Max Handling Weight | Type | Function | Power Capacity | Body Weight | Installation |
|---|---|---|---|---|---|---|
| KW1030D-1800 | 30KG | Vertical joint (6 DOF) | Handling/Palletizing/Loading | 2.0KVA | 400KG | Ground |
| Environmental Conditions | Protection Level | |||||
| 0-45ºC, 20-80%RH | Equivalent to IP54 | |||||
Qualification and Honor
Secure Wooden Case Packaging
Global Shipping Support
Installation Method: Ground Fixed
The equipment is designed for easy ground integration, ensuring maximum stability during high-speed 6-axis operations.
Our company is a high-tech enterprise integrating product research and development, production and sales. We specialize in industrial robot palletizing machines, intelligent palletizing systems, automatic loading machines, winding machines, sealing machines, and complete automatic production lines. Our products are widely used in electric power, chemical industry, rubber, food, metallurgy, petrochemical, and environmental protection sectors.
With a dedicated engineering technical service team, we bring together elites from mechanical, power, computer, and automatic control backgrounds. We adhere to the spirit of "sincere cooperation, customer first, and innovation" to maintain a leading position in product quality and development.